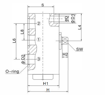
|
Model |
L |
L1 |
L2 |
L3 |
L4 |
L5 |
L6 |
L7 |
L8 |
B |
||||||
|
KHP3K-06 |
64 |
8.5 |
17.5 |
59 |
25 |
0 |
35 |
35 |
17.5 |
40 |
||||||
|
KHP3K-10 |
80 |
8 |
27.5 |
71 |
29.5 |
2.5 |
44 |
55 |
19 |
56 |
||||||
|
KHP3K-16 |
110 |
8.5 |
41.5 |
100 |
43.5 |
8.5 |
58 |
83 |
26.5 |
62 |
||||||
|
KHP3K-20 |
127 |
10 |
48.5 |
117 |
51 |
10 |
69 |
97 |
32 |
70 |
||||||
|
KHP3K-25 |
145 |
10 |
57.5 |
135 |
62 |
14 |
81 |
1 15 |
38 |
80 |
||||||
|
KHP3K-32 |
177 |
12 |
68 |
165 |
75 |
17 |
96 |
136 |
46 |
100 |
||||||
|
KHP3K-40 |
192 |
28.5 |
56 |
180 |
85.5 |
0 |
112 |
112 |
56 |
130 |
||||||
|
KHP3K-50 |
245 |
38 |
68 |
220 |
106 |
0 |
136 |
136 |
68 |
149 |
||||||
|
Model |
B1 |
H |
H1 |
H2 |
D |
D1 |
D2 |
S |
SW |
O-ring /GB1235 |
||||||
|
KHP3K-06 |
27 |
39 |
30 |
6 |
6.6 |
11 |
6 |
23 |
9 |
12 x 1.9 |
||||||
|
KHP3K-10 |
40 |
54.5 |
42 |
8 |
9 |
13.5 |
9.5 |
33 |
9 |
16x2.4 |
||||||
|
KHP3K-16 |
45 |
67.5 |
50 |
11 |
9 |
13.5 |
16 |
41 |
12 |
25x2.4 |
||||||
|
KHP3K-20 |
51 |
80 |
62 |
12 |
10.5 |
16.5 |
20 |
51 |
12 |
30x3.1 |
||||||
|
KHP3K-25 |
60 |
85 |
67 |
12 |
10.5 |
16.5 |
25 |
56 |
12 |
35x3.1 |
||||||
|
KHP3K-32 |
78 |
110 |
90 |
14 |
13 |
19 |
32 |
77 |
17 |
40x3.1 |
||||||
|
KHP3K-40 |
95 |
120 |
100 |
14 |
17.5 |
26 |
38 |
82 |
17 |
50x3.1 |
||||||
|
KHP3K-50 |
112 |
130 |
110 |
14 |
22 |
33 |
48 |
88 |
17 |
56x3.5 |
||||||


Ningbo Hongge Hydraulic Co.,Ltd is a professional supplier of industrial products. The company was established in 2014 and is located in Xikou Industrial Park, Fenghua District, Ningbo City. It is a professional enterprise integrating R&D, manufacturing, sales and service of hydraulic ball valve products. , Has a wealth of application experience and actual performance, has been introducing solutions from well-known foreign manufacturers for many years, providing customers with reliable solutions, seeking reliable products, and according to customer needs, cooperating with foreign countries to develop various custom Plate type ball valve-KHP3K to improve the quality of ball valves .
As a famous China Plate type ball valve-KHP3K Suppliers and custom Plate type ball valve-KHP3K company, Our company's business scope includes: hydraulic components, high-pressure ball valves, Plate type ball valve-KHP3K, hydraulic ball valves, international standard high-pressure ball valves, high-pressure stop valve series, etc. and hydraulic system accessories, and provide engineering machinery, metallurgy, mining, petroleum, wind power, ships, military, Practitioners in agriculture and other industries provide high-quality hydraulic ball valves and professional consulting services, so they are widely recognized and praised by customers.
Ball valves come in a variety of designs, materials, temperatures, and pressure requirements. Therefore, careful consideration should be giv...
High-Pressure Ball Valves Manufacturers introduce the operation and use precautions of high-pressure ball valves: 1) Make sure the pipeline...
The flow characteristic of the high and medium pressure check valve is the relationship between the relative flow of the medium flowing thro...